关于MAXAIR
企业文化
研发IPD
服务宗旨
办公环境
联系我们
产品中心
新品发布
气缸执行元件
控制元件
辅助元件
电动执行元件
真空元件
解决方案
锂电
光伏
半导体
下载中心
招商加盟
新闻中心
行业资讯
气动百科
企业公告
媒体报道
加入我们
人才发展
人才招聘
人在MAXAIR
员工活动
简体中文
English
回到顶部
产品中心
国产气动元件领导品牌
产品中心
>
控制元件
>
电磁阀
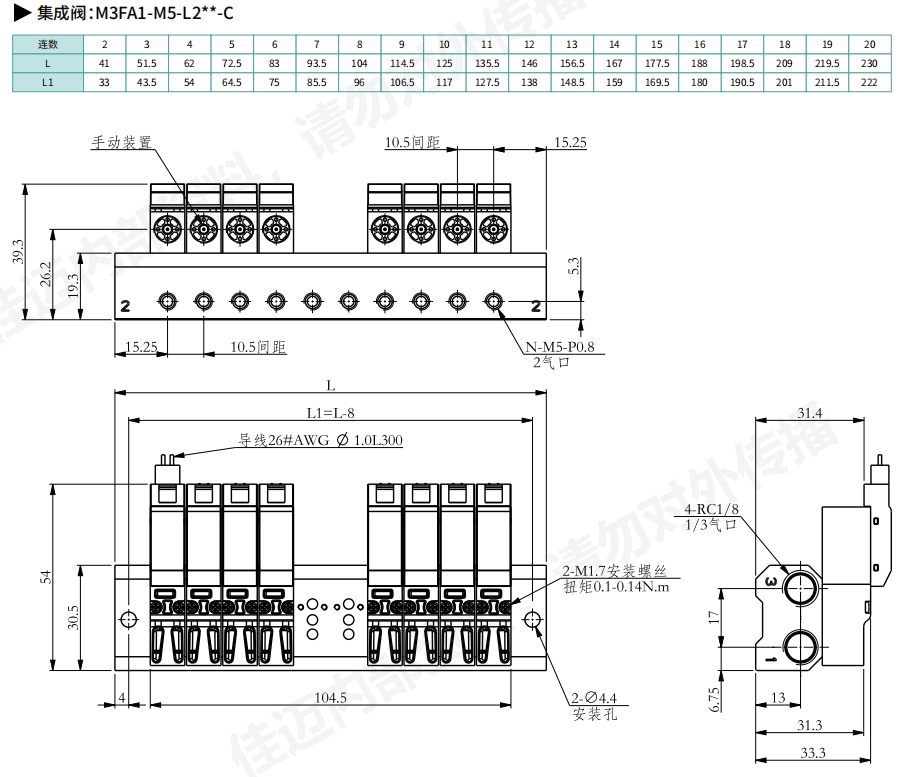
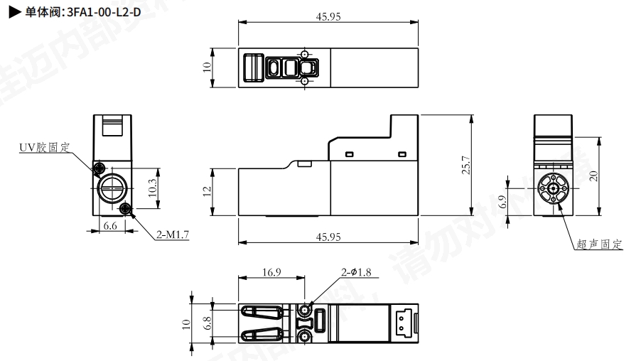
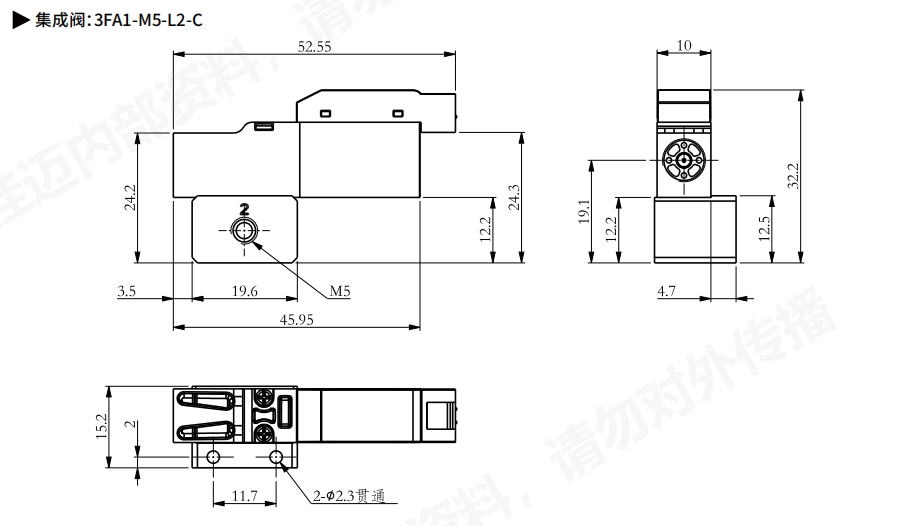
3FA 高频电磁阀
阀的种类
直动式截止阀
使用流体
压缩空气、低真空
最高使用压力
0.7MPa
最低使用压力
1.05MPa﹙低真空 :-0.1MPa﹚
最高工作压力差
0.7MPa
耐振动
50m/s^2以下
耐冲击
300m/s^2以下
防护等级
防尘
使用环境
无法在腐蚀性气体环境下使用
产品资料
立即询价
产品介绍
型号选择
尺寸选择
3D模型预览
你对MAXAIR的气动元件感兴趣?
我们会提供适用的解决方案,你可以随时与我们的产品专家取得沟通
样品获取
联系我们